Cara Memperbaiki Sendiri Tv Yang Rusak
Sunday, December 27, 2020
Edit

Kata siapa Barang - barang Electronik jaman now atau jaman kini punya, kalau sudah rusak tidak sanggup di betulin lagi, tidak semua jenis kerusakan pada barang - barang electronik Jaman Now yang berbasis komputer tidak bisa di perbaiki lagi, banyak sekali bencana kerusakan pada perangkat electronik yang sungguh sepele dan sederhana dan tentunya dengan gampang sanggup kita perbaiki sendiri penyebab kerusakannya, salah satu misalnya kerusakan pada TV LED yang biasanya cukup sepele dan sederhana serta tentunya dengan gampang sanggup kita perbaiki sendiri, misalnya saja, sering terlepasnya salah satu solderan unsur pada PCB board perangkat electronik tersebut dalam hal ini lantaran di suhu operasional perangkat electronik kita khususnya pada TV LED jaman Now sering terlalu panas, sehingga pada suatu waktu solderan pada salah satu komponennya menjadi kedur dan otek sampai terlepas, pada biasanya 85 % kerusakan pada TV LED yakni lantaran hal sepele tadi, jadi tentunya dengan alat - alat sederhana saja kita sanggup memperbaikinya sendiri TV tersebut, begitu juga kalau TV LCD / LED kalian mengalami kerusakan yang lebih berat, menyerupai Powernya Mati Total, Muncul Blank Putih Pada Layar TV LCD / LED anda, atau Munculnya garis - garis vertikal atau horizontal pada layar TV tersebut, hilangnya suara, dan masih banyak lagi kerusakan lazim yang timbul pada TV LED jaman now, semua kerusakan tersebut ternyata dengan gampang sanggup kita betulin sendiri di rumah tanpa mesti repot - repot cari tukang service TV jauh - jauh, apakah kalian kesengsem mempelajarinya ? Nah cobalah sebelum kalian tentukan untuk menjinjing TV kalian yang Rusak ke Tukan service atau bahkan ingin membuangnya, maka tidak ada salahnya kalian sanggup reparasi atau service sendiri TV nya, selain nambah pengalaman dan wawasan baru, mungkin suatu ketika apa yang kalian pelajari tersebut di sini akan mempunyai kegunaan bagi orang lain, oleh alasannya itu Betulin sendiri TV LCD / LED Yang Rusak !!!
Contoh Produk Sparepart TV LED Yang Sering Rusak dan Ada Di Pasaran Bisa Kita Lihat dengan Cara --- > 
Jangan Kuatir, Jika Aksi Reparasi Anda Gagal, anda tinggal mengontak Tehnisi Service atau anda Bisa " DI LEM BIRU " ( Lempar Beli Baru ) caranya silahkan anda klik di --> SINI
Ok Lanjut ! Nah Sebelum Kita membahas lebih jauh secara teknis mengenai Cara Praktis Memperbaiki Sendiri LCD / LED TV Yang Rusak, ada baiknya anda coba simak salah satu Video Totorial mengenai bagaimana membongkar Casing TV LCD / LED tersebut dengan aman, baik dan benar, selamat menyimak dahulu deh !
Beberapa macam informasi mengenai Spesifikasi TV LCD / TV LED Jaman Now silahkan anda klik di --> SINI
Secara Garis Besar, Berikut ini kita akan uraikan langkah demi langkah mengenai Panduan dan tata Cara Memperbaiki TV LCD / TV LED yang Mengalami Masalah Kerusakan Teknis menyerupai yang sudah kita sebutkan di atas !
Pada Dasarnya TV LCD dan TV LED memiliki keistimewaan yang jauh berlainan dari TV versi sebelumnya diantaranya mutu gambar yang lebih baik, versi yang dan sirkuit didalamnyapun lebih praktis serta daya yang di perlukan tidak sebesar TV sebelumnya boros listrik dan masih banyak keistimewaan lain yang di miliki TV ini. Berdasarkan hal ini seringkali kita mengabaikan cara penggunaan yang semestinya di perhatikan. Kerusakan pada televisi sering terjadi lantaran terlalu berlebihan dalam penggunaan, Salah satu pola kerusakan yang terjadi pada TV LCD dan TV LED yakni layar tidak mampu memperlihatkan gambar atau blank putih.
Untuk mengenali penyebab kerusakannya mari kita simak dan amati cara penanganannya.
Langkah-langkah untuk meperbaiki kerusakan TV LCD, selaku berikut :
Ok Lanjut ! Nah Sebelum Kita membahas lebih jauh secara teknis mengenai Cara Praktis Memperbaiki Sendiri LCD / LED TV Yang Rusak, ada baiknya anda coba simak salah satu Video Totorial mengenai bagaimana membongkar Casing TV LCD / LED tersebut dengan aman, baik dan benar, selamat menyimak dahulu deh !
Beberapa macam informasi mengenai Spesifikasi TV LCD / TV LED Jaman Now silahkan anda klik di --> SINI
Secara Garis Besar, Berikut ini kita akan uraikan langkah demi langkah mengenai Panduan dan tata Cara Memperbaiki TV LCD / TV LED yang Mengalami Masalah Kerusakan Teknis menyerupai yang sudah kita sebutkan di atas !
Cara Memperbaiki TV LCD / LED Yang Layarnya Blank Putih
Pada Dasarnya TV LCD dan TV LED memiliki keistimewaan yang jauh berlainan dari TV versi sebelumnya diantaranya mutu gambar yang lebih baik, versi yang dan sirkuit didalamnyapun lebih praktis serta daya yang di perlukan tidak sebesar TV sebelumnya boros listrik dan masih banyak keistimewaan lain yang di miliki TV ini. Berdasarkan hal ini seringkali kita mengabaikan cara penggunaan yang semestinya di perhatikan. Kerusakan pada televisi sering terjadi lantaran terlalu berlebihan dalam penggunaan, Salah satu pola kerusakan yang terjadi pada TV LCD dan TV LED yakni layar tidak mampu memperlihatkan gambar atau blank putih.
Untuk mengenali penyebab kerusakannya mari kita simak dan amati cara penanganannya.
Langkah-langkah untuk meperbaiki kerusakan TV LCD, selaku berikut :
- Cobalah Periksa apalagi dahulu cuilan kapasitor elektrolit PSU dan jalur koneksi pada PSU.
- Lakukan investigasi pada sekering pico yang ada di cuilan papan controller. Apabila pada sekering mejunjukkan nilai ohm yang tinggi maka laksanakan penggantian.
- Cek kabel NVDS yang menghubungkan mainboard menuju papan controller.
- Periksa patrian timah pada socket atau koneksi kabel, (sering kali ini masalahnya, lantaran timahnya lepas )
- Lakukan resset kabel ribbon dari controller board menuju ke driver board.
- Lakukan investigasi pada unsur lain lain yang bermitra dengan papan controller utamanya pada papan controller itu sendiri.
Cara Memperbaiki TV LCD / LED Yang Layarnya Muncul Garis - Garis Pelangi
Untuk memperbaiki atau menangani muculnya garis - garis berwarna pelangi pada LCD TV anda, mari kita perbaiki sendiri, kerusakan menyerupai ini biasanya dimengerti dengan garis-garis berwarna pada layar atau rainbow screen. Dengan tanda-tanda tidak hadirnya gambar kecuali garis-garis pada layar TV menyerupai gambar dibawah ini.
Bila hal tersebut terjadi pada layar LCD TV Anda berikut tindakan untuk menangani duduk kendala garis berwarna atau rainbow screen pada layar
- Pertama, periksa kabel LVDS dari mainboard ke controller board untuk menegaskan kabel tidak longgar. Bila perlu, cabut kabel ini dan ulang pasang kembali dengan sempurna dan benar, bila Anda merasa ada kemungkinan kerusakan maka ganti kabel LVDS tersebut.
- Reseat FPCB dari controller board ke driver board serta periksa sambungan solder pada konektor kabel le board.
- Periksa sambungan solder dan unsur pada PCB controller. Jika seluruhnya baik, walaupun hal ini masih sanggup menjadi duduk kendala mainboard kemungkinan besar IC controller board atau panel. Lebih mungkin LCD panel memiliki driver board/driver IC yang rusak, namun menggunakan mekanisme untuk menilik mainboard sebelum Anda menghabiskan duit untuk mengubah panel kalau Anda sungguh-sungguh tentukan memutuskan ongkos yang ekonomis.
- Perhatikan bahwa Anda sanggup nyaris tidak pernah mendapatkan kerusakan panel LCD saja, namun pada biasanya orang menyebut seluruh board ini selaku panel LCD, namun bahwasanya Anda sanggup membongkar dan melepas panel LCD yang sebenarnya.
Jangan Kuatir, Jika Aksi Reparasi Anda Gagal, anda tinggal mengontak Tehnisi Service !
Cara Memperbaiki TV LCD / LED Yang Layarnya Gelap dan Suara Tidak Muncul
Contoh Kasus :
- LCD Panasonic TH-L32X20, sudah divonis board digital rusak oleh bengkel lain
- Kadang sanggup hidup normal
- Tetapi kadang lampu indikator sudah sanggup menyala hijau – namun layar tetap gelap dan tidak ada suara
Normal LCD ini kalau dihidupkan pertama – indikator merah (st-by) akan meningkat menjadi hijau kedip2 – kemudian hijau tidak berkedip lagi –dilanjutkan lampu backlight akan meyala – dan kemudian gres timbul gambar dan suara.
TROuble-SHooTING
Untuk mencari kerusakan problem ini maka kami laksanakan pencatatan data tegangan-tegangan penting pada konektor yang menghubungkan board digital kendali dengan board power supply menyerupai terlihat pada gambar dibawah pada ketika (a) St-by, (b) ketika sanggup hidup normal, dan (c) ketika problem tidak ada gambar
Data tegangan pada pin-pin konektor
St-by | Nyala normal | Saat problem | |
| Pin-14/15 (5.6v0 st-by | 5.6 | 5.6 | 5.6 |
| Pin 11/12 (12v) | 0 | 12 | 12 |
| Pin-9 (17v) | 0 | 17 | 17 |
| Pin-7 TV on-off | 0 | 3 | 3 |
| Pin-4 Alarm (Inv SOS) | 0 | 0 | 2 |
| Pin-3 (Inv on-off) | 0 | 2.5 | 0 |
| Pin-2 (Inv PWM Dimmer) | 0 | 2 | 0 |
Berdasarkan data tegangan tabel diatas maka sanggup ditarik kesimpulan bahwa :
- Pada ketika problem - tegangan kendali on-off (pin-7) dari mikrokontrol sudah ada – oleh lantaran itu indikator sudah sanggup menyala hijau dan tegangan-tegangan 12v (pin11/12), 17v (pin-9) juga sudah keluar.
- Pin-4 Alarm (Inverter SOS) ada tegangan – hal ini menyediakan bahwa cuilan Backlight Inverter ada problem – karenanya maka kendali Inverter-On (pin-3) dan Inverter Dimmer ((pin-2) tidak keluar tegangan.
- KESIMPULAN : Circuit Inverter kadang ada masalah
Coba lumpuhkan sirkit Alarm (Inverter SOS) dengan cara :
- Lepas kabel penghubung Alarm (inv SOS) dari board digital ke board power supply.
- Pin-Alram (Inv-SOS) kami sambung ke ground menggunakan suatu resistor 100 ohm 1/8watt – untuk mengunci biar tegangan tetap nol.
- Hasilnya ternyata LCD sanggup menyala terus secara normal, gambar bunyi timbul terus.
Catatan :
- Menurut service-manual – kalau terjadi problem pada cuilan Inverter – semestinya led indikator meningkat menjadi warna merah dan kedip 1x. Tetapi mengapa pada permasalahan ini tidak terjadi ? Inilah yang masih menjadi Pekerjaan Rumahnya, dan pertanyaan kami ? Mengapa dari inverter keluar tegangan SOS, pada hal lampu back light sanggup nyala wajar terus ?
2. Cara Memodifikasi Sistem Suara Pada TV LCD yang Rusak
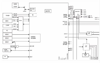
- Jika Pada TV LCD / LED anda gambarnya masih bagus, tetapi Bisu alias Suaranya Mati
- Cek Problemnya tidak ada bunyi Lewat speaker dalam maupun dari jack Audio-out (lihat blok diagram dibawah)
- Analisa kami kerusakan terjadi didalam ic besar. Mau coba flash memori tidak sanggup menerima Fimware. Mau ganti mother-board sukar mendapatkan, kalupun ada di SC harga sekitar 1.6 juta.

Solusinya :
- Cari dari bekas mesin tv yang masih menggunakan sistim analog (belum pakai sda/scl)
- Untuk diambil sirkit Sound IF amplifier.
- Dan nantinya volume kendali dikelola secara manual menggunakan VR (potensiometer)
- Sedang sumber sinyal bunyi nantinya akan kami cangkok dari Video-out Tuner LCD
Langkah-langkah adaptasi :
- Cari data sheet IC IF yang sanggup kita peroleh. Kami contohkan disini yakni tipe TDA8213
- Dari gambar diatas –maka sinyal bunyi FM dari pin-14 diinputkan ke pin-12 setelah lewat filter 5.5Mhz yang mungkin sanggup berupa Keramik-filter atau berupa Coil IF 5.5Mhz.
- Setelah lewat proses FM amplifier dan FM Detektor maka akan diperoleh sinyal bunyi yang di-outputkan dari pin-8.
- Selanjutnya sinyal bunyi dari pin-8 sanggup dimasukkan ke sirkit Audio-Amplifire. Untuk Audio amplifier sanggup digunakan misanya IC TDA2003 yang paling gampang didapat dipasaran.
- Sambungan Resistor dari pin-14 ke Filter 5.5 diputus. Dan berikutnya Resistor disambungkan ke output Video-Out Tuner LCD untuk mencangkok sinyal IF teve.
- VR volume sanggup dipasang antara pin-9 dengan ground
Gambar dibawah ialah diagram lengkap dari TDA8312.
Catatan :
- IC IF lain yang gampang diperoleh misalnya milik Panasonic/National AN5138
- Atau teve usang yang masih menggunakan sistim modul.
- Jika dari AV-out masih sanggup keluar suara, namun audio amplifier rusak – maka kita juga sanggup adaptasi buatkan Audio-amplifier sendiri dan kendali volume secara manual menggunakan VR.
Cara Betulin TV LCD Hidup Sebentar Terus Mati Lagi
CONTOH KEJADIAN KERUSAKAN TV LED :
- TV LCD/ LED
- Jika tombol power dihidupkan lampu indikator akan merah meningkat menjadi warna hijau tetapi kalau dinantikan sebentar kemudian TV akan mennyala, namun cuma sebentar kemudian mati lagi dengan sendirinya dan lampu indikator kembali nyala merah
Langkah Pemeriksaan Awal
- jika diperhatikan dengan seksama, pada ketika raster menyala nampaknya layar cuilan bawah sedikit agak gelap dibanding layar cuilan tengah dan atas.
- Analisanya lampu bachlight CCFL yang cuilan bawah tidak menyala sehingga membuat arus mati terproteksi.
SOLUSI SERVICE :
- Setelah cover belakang dibuka, nampak bahwa versi ini menggunakan 6 buah lampu CCFL (3 pasang)
- Setiap sepasang lampu dinyalakan oleh suatu tranfo inverter
- Langsung saja laksanakan pengukuran resistansi pada sekunder yang masuk ke lampu CCFL pada setiap tranfo.
- Ternyata tranfo inverter yang menyalakan CCFL cuilan bawah resistansinya terukur lebih tinggi kalau dibanding dengan yang lainnya.
- Langsung saja coba lepas tranfo tersebut, coba dinyalakan cuma menggunakan 4 buah lampu CCFL, kalau perangkat TV sanggup menyala terus, tidak mati sendiri lagi, coba periksa solderan kaki semua trafo tersebut, niscaya ada yang kering dan terlepas timahnya.
Service mode :
INFO, MENU, MUTE, POWER ON
Gambar lambat timbul :
Kerusakan LCD panel. Dengan cara menekan-nekan cuilan pinggir atas layar kadang gambar sanggup bagus, kerusakan menyerupai ini Sering terjadi pada panel LTA320WT-L05
Warna tidak normal, gerakan lambat:
Coba ganti eeprom atau T-con
LCD panel rusak
Cara memperbaiki gambar lambat
Gambar negative/klise:
Ganti eeprom
Reset eeprom
Gambar cacat setelah panas:
Keruskan LCD panel
Separuh layar agak gelap:
Kerusakan LCD panel
Raster gelap, backlight ok, bunyi normal:
Cek fuse pada T-con board
T-con board rusak (coba diblower panas dulu)
Setelah ganti elko pada PSU Raster agak gelap, brightness dinaikkan gambar flicker, cuma noise, Tidak sanggup di tuning:
Masuk service menu
Kemudian Reset-On
Saat pertama dihidupkan ada gangguan garis-2 horisontal, kadang freeze, kadang putih - lama-kelamaan gambar normal:
Problem LCD panel
Problem loose kontak flatwire dg lcd panel (kalau ditekan-tekan dpt normal)
Gangguan menyerupai gambar usang nampaknya masih membekas:
Ganti T-con
Warna puyeh atau luntur ( tidak wajar ):
Loose kontak antara T-con dengan LCD panel. Perbaiki konektor
Kerusakan T-con (salah satu jalur ke panel tidak kerja/tidak sambung)
Kerusakan LCD panel (salah satu jalur ke T-con tidak sambung)
Detail gambar tidak halus, namun menyerupai trotol-trotol bundar besar, nyaris menyerupai mosaik:
Masuk serive santapan – Reset-on
Coba tambah adjustment Sub brite
Back light hidup-mati:
Solderan umpan balik tranfo tegangan tinggi
Tidak ada gambar, Hanya blue screen dengan gangguan garis-garis horisontal pendek:
Kabel LVDS loose kontak
Stand by:
Ganti elko2 pada psu (penyebab kerusakan)
Ganti eeprom
Mati-hidup sendiri:
Pastikan elko-2 power suply bagus
Masuk service mode
Parameter READY adjust “on”
Kadang mati sendiri:
Coba ganti kadel LVDS
Hidup mati sendiri setelah melody bunyi
Coba lepas kabel LVDS dari T-con, Jika sanggup hidup terus ganti T-con
Coba lepas kabel LVDS dari main-board, Jika sanggup hidup terus ganti kabel LVDS
Jika Tetap problem, main board rusak,
Muncul garis - garis vertikal tipis:
Sepertinya T-con flatwire sedikit loose kontak
Jika Kode kedip 4x :
Terjadi Kerusakan Komponen ELCO di cuilan sekunder PSU
Untuk memperbaiki kerusakan pada layar TV LCD pada aneka macam brand baik itu LCD TV samsung, LG, Toshiba maupun brand LCD TV yang lain, Berikut ini Langkah langkahnya sederhananya.
- Untuk memperbaiki layar rusak, sangatlah penting untuk mematikan TV, cabut power supply dan kawasan itu menghadap ke bawah di atas meja kerja dengan hati-hati.
- Menggunakan obeng membuka tutup semua pengencang dari televisi dan juga melepaskan panel belakang dari unit. dan akan terlihat terang motherboard yang terletak di sentra TV di belakang layar.
- Anda akan lihat suatu papan inverter yang dipasang di ujung segi motherboard.buka semua sekrup inverter yang mengekspos seluruh unit.dan disini Akan ada banyak kabel yang terhubung ke aneka macam pcb. yang kemudian akan mengantarkan daya listrik ke layar LCD.
- Pekerjaan pertama Anda laksanakan adalah, menilik semua koneksi dari papan inverter untuk menyaksikan apakah mereka benar konek atau tidak. Jika tidak, cabut kabel dan masukkan mereka kembali ke papan inverter. kemudian lihat apakah bekerja, kalau tidak, kemudian pergi ke pcb yang bermitra dengan layar lcd tv
- Buka semua pengencang, dan keluarkan layar lcd dari set TV
- Sekarang melakukan pergeseran yang usang dengan layar lcd baru. dan jangan lupa menandai posisi sambungan kabel. agar tidak menyatu dengan kabel yang lain kemudian lampirkan semua sekrup kembali pada tempatnya
Selain evaluasi di atas, ternyata masih ada cara memperbaiki TV LED / TV LCD dengan tata cara periksa digital atau tata cara pikiran lazim kerusakan yang sanggup kita pelajari juga !
--> SELANJUTNYA




